Описание продукта
Центробежный вентилятор высокого давления 9-19
Центробежный вентилятор высокого давления 9-19 может широко использоваться для транспортировки материалов, воздуха и газов без коррозионных, самовозгорающихся и вязких веществ. Как правило, температура транспортируемой среды не должна превышать 80 ºC, а содержание пыли и твердых частиц не должно превышать 150mg/m3. Он подходит для высоконапорной принудительной вентиляции в обычной ковке, стекольной, керамической, радиотехнической, гальванической, аккумуляторной и других отраслях, а также для транспортировки материалов в перерабатывающих отраслях, таких как зерно, корма, минеральный порошок и пластмассы.

Параметры продукта
Модель (NO.) | Скорость (r/min) | Мощность (KW-P) | Объем (m³/h) | Полное давление (Pa) | Напряжение (V) | Частота (Hz) |
7.1D | 2900 | 37-2 | 4610-7376 | 11717-11596 | 220~480 | 50~60 |
55-2 | 8144-9988 | 11340-10426 | 220~480 | 50~60 |
8D | 2900 | 75-2 | 6594-11649 | 15034-14546 | 220~480 | 50~60 |
110-2 | 12968-14287 | 14021-13362 | 220~480 | 50~60 |
1450 | 7.5-4 | 3297-4616 | 3620-3647 | 220~480 | 50~60 |
15-4 | 5275-7144 | 3584-3231 | 220~480 | 50~60 |
9D | 1450 | 15-4 | 4695-7511 | 4597-4551 | 220~480 | 50~60 |
22-4 | 8294-10171 | 4453-4101 | 220~480 | 50~60 |
10D | 1450 | 30-4 | 6440-12450 | 5941-5495 | 220~480 | 50~60 |
37-4 | 13952-15455 | 5244-4958 | 220~480 | 50~60 |
11.2D | 1450 | 45-4 | 9047-15380 | 7364-7236 | 220~480 | 50~60 |
75-4 | 17491-21713 | 6927-6246 | 220~480 | 50~60 |
960 | 15-6 | 5990-11580 | 3182-2996 | 220~480 | 50~60 |
22-6 | 12978-14375 | 2860-2705 | 220~480 | 50~60 |
12.5D | 1450 | 110-4 | 12577-30186 | 9229-7822 | 220~480 | 50~60 |
960 | 37-6 | 8327-19985 | 3975-3377 | 220~480 | 50~60 |
14D | 1450 | 132-4 | 17670-25916 | 11668-11771 | 220~480 | 50~60 |
220-4 | 30040-42409 | 11464-9878 | 220~480 | 50~60 |
960 | 37-6 | 11699-17158 | 5004-5047 | 220~480 | 50~60 |
22-6 | 19888-28078 | 4917-4249 | 220~480 | 50~60 |
16D | 1450 | 315-4 | 26377-50995 | 15425-14488 | 220~480 | 50~60 |
410-4 | 57150-63305 | 13808-13035 | 220~480 | 50~60 |
960 | 75-6 | 17463-25613 | 6570-6627 | 220~480 | 50~60 |
110-6 | 29687-41912 | 6456-5575 | 220~480 | 50~60 |
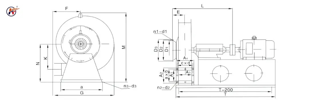
№ | Размер воздухозаборника | Размер воздуховыпускного отверстия |
D1 | D2 | D3 | n1 -d1 | A1 | A2 | A3 | A4 | axb |
7.1 | ø315 | ø355 | ø395 | 8-ø10 | 227 | 293 | 163 | 232 | 4×68 |
8 | ø355 | ø395 | ø435 | 256 | 322 | 184 | 253 | 4×74 |
9 | ø400 | ø450 | ø500 | 8-ø12 | 288 | 354 | 207 | 276 | 5×66 |
10 | ø450 | ø500 | ø550 | 320 | 386 | 230 | 299 | 5×72 |
11.2 | ø500 | ø560 | ø620 | 12-ø10 | 359 | 448 | 258 | 350 | 5×83 |
12.5 | ø560 | ø620 | ø680 | 400 | 489 | 288 | 380 | 6×76 |
№ | Габаритные размеры |
G | M | F | K | E | a | L | N |
0° | 90° |
7.1 | 1042 | 1358 | 466 | 509 | 177 | 692 | 1230 | 770 | 690 |
8 | 1173 | 1528 | 525 | 572 | 200 | 882 | 1256 | 855 | 770 |
9 | 1318 | 1686 | 590 | 644 | 226 | 962 | 1289 | 960 | 860 |
10 | 1464 | 1828 | 656 | 715 | 250 | 1047 | 1317 | 1030 | 915 |
11.2 | 1641 | 2047 | 735 | 801 | 280 | 1487 | 1565 | 1160 | 1040 |
12.5 | 1830 | 2256 | 820 | 895 | 329 | / | 1300 | 1275 | 1135 |
Направление, угол и режим передачи вентилятора
Упаковка & доставка
Q: Вы производитель или торговая компания?
A: Мы являемся профессиональным производителем вентиляторов с 20-летним опытом производства и изготовления в отрасли.
Q: Есть ли у вас оборудование на складе для немедленной поставки?
A: Для стандартной продукции всегда имеется достаточный запас. Для нестандартной продукции по индивидуальному заказу мы сделаем все возможное, чтобы соответствовать вашему графику поставки.
Q: Каково качество вашей продукции?
A: Мы не предлагаем самую низкую цену в отрасли вентиляторов и не утверждаем, что обладаем качеством высшего уровня. Но мы гарантируем экономически выгодную продукцию с отличным соотношением цены и качества. В нашей продукции используются прочные материалы и изысканное мастерство изготовления, что гарантирует, что каждый потраченный вами пенни будет оправдан.
Q: Какую информацию мне нужно предоставить для закупки продукции?
A: Сначала, пожалуйста, сообщите нам требуемую модель продукта или параметры производительности и размеров, чтобы мы могли предоставить профессиональный подбор продукции.
Во-вторых, пожалуйста, укажите количество закупки, требования к упаковке и транспортировке.
Мы отправим вам точное коммерческое предложение после подтверждения всей вышеуказанной информации.
Q: Где находится ваш завод?
A: Наш завод находится в городе Дэчжоу, Китай.
Если у вас есть какие-либо вопросы о нашей продукции или компании, пожалуйста, свяжитесь с нами через WhatsApp, электронную почту или WeChat. Мы ответим вам в кратчайшие сроки.