4-72C centrifugal fan can transport air and other non-self-igniting, harmless to the human body, non-corrosive to steel. No viscous substances are allowed in the gas, and the dust and hard particles contained in the gas are not more than 150 mg/m3. The gas temperature should not exceed 80 °C. The fan is widely used in industrial ventilation enterprises, large buildings, hotel restaurants and other indoor ventilation and smoke exhaust. Product type: The company has NO2.8, 3.2, 3.6, 4, 4.5, 5, 5.6, 6, 6.3, 7.1, 8, 10, 12 and thirteen. It can be made into two types: right-handed and left-handed. The impeller rotates clockwise and is called a right-handed fan. Expressed as "right", the impeller rotates counterclockwise, called the left-handed fan, and is represented by "left". The exit position of the fan is expressed by the air outlet angle of the casing. 4-72NO2.8-10 is made into various types at the factory, and can be installed to the required position according to the requirements of the unit of use. That is, the position of the air outlet is adjusted from 0° to 225°, and the interval is 22.5° or 45°, that is (0 There are six kinds of °, 45°, 90°, 135°, 180°, and 225°. NO7.1-10 is made into a direction angle according to user requirements. The fan is driven in the C mode. Structural features: The fan is mainly composed of impeller, casing, air inlet, frame, bearing box and other belt transmission. Impeller: consists of 10 rear-tilted airfoil blades, curved front discs and flat rear discs. After dynamic balance correction and aerodynamic performance, it has the characteristics of balanced operation, small vibration, high efficiency and long service life. Housing: welded with a steel plate into a volute casing. Air inlet: made into a whole (all mold molding), installed on the side of the fan, the axially parallel wear surface has no curved shape, which enables the gas to smoothly enter the impeller with less loss. Transmission group: from the main shaft, bearing housing, coupling and so on. The main shaft is made of high-quality steel. The overall structure of the bearing housing is made of rolling bearings and is divided into water-cooling and oil-cooling.
机 号 Model(NO) |
|
|
|
|
|
|---|
转 速 Speed(r/min) | 功 率 Power(KW) | 机座号 Poles frame size-p | 流 量 Volume(M3/h) | 全 压 Total pressure(pa) |
|---|
| 2.8A | 2600 | 0.75-2 | Y80M-2 | 1174-1800 | 776-619 |
|---|
| 2200 | 0.37-2 | Y71M-2 | 994-1522 | 556-443 |
| 1800 | 0.25-2 | Y63M-2 | 813-1245 | 372-296 |
| 3.2 | 2600 | 1.1-2 | Y80M-2 | 1753-2686 | 1015-808 |
|---|
| 2200 | 0.75-2 | Y80M-2 | 1483-2273 | 726-579 |
| 1800 | 0.55-2 | Y71M-2 | 1213-1860 | 486-387 |
| 3.6 | 2600 | 2.2-2 | Y90L-2 | 2730-4085 | 1230-1009 |
|---|
| 2200 | 1.5-2 | Y90S-2 | 2310-3434 | 881-723 |
| 1800 | 0.75-2 | Y80M-2 | 1890-2810 | 590-483 |
| 4 | 2600 | 3.0-2 | Y100L-2 | 4040-5345 | 1582-1384 |
|---|
| 2300 | 2.2-2 | Y90L-2 | 3573-5491 | 1238-917 |
| 2000 | 1.5-2 | Y90S-2 | 3107-4775 | 936-694 |
| 1700 | 1.1-2 | Y80M-2 | 2641-4058 | 676-501 |
| 4.5A | 2600 | 5.5-2 | Y132S-2 | 5752-8839 | 2007-1486 |
|---|
| 2300 | 4.0-2 | Y112M-2 | 5088-7819 | 1570-1163 |
| 2000 | 3.0-2 | Y100M-2 | 4428-6788 | 1187-879 |
| 1700 | 2.2-2 | Y90M-2 | 3761-5779 | 858-635 |
| 5 | 2600 | 11.0-2 | Y160M-2 | 7938-12845 | 2527-1876 |
|---|
| 2300 | 7.5-2 | Y132S-2 | 7022-11363 | 1978-1468 |
| 2000 | 5.5-2 | Y132S-2 | 6106-9881 | 1495-1110 |
| 1700 | 3.0-2 | Y100L-2 | 5190-8399 | 1080-802 |
| 5.6 | 2600 | 15.0-2 | Y160M-2 | 9734-19466 | 3213-2035 |
|---|
| 2300 | 11.0-2 | Y160M-2 | 8610-17220 | 2514-1593 |
| 2000 | 7.5-2 | Y132S-2 | 7487-14974 | 1901-1204 |
| 1700 | 5.5-4 | Y132S-4 | 6364-12728 | 1373-870 |
| 1400 | 3.0-4 | Y100M-4 | 5242-10482 | 937-590 |
| 6 | 2240 | 15.0-2 | Y160M-2 | 10314-20628 | 2734-1733 |
|---|
| 2000 | 11.0-2 | Y160M-2 | 9209-18418 | 2176-1380 |
| 1800 | 7.5-4 | Y132M-4 | 8288-16576 | 1790-1116 |
| 1600 | 5.5-4 | Y132S-4 | 7367-14734 | 1689-881 |
| 1250 | 3.0-4 | Y100L-4 | 5756-11511 | 846-537 |
| 1120 | 2.2-4 | Y100L-4 | 5157-10314 | 679-431 |
| 900 | 1.5-4 | Y90L-4 | 4144-8288 | 438-278 |
| 800 | 1.1-4 | Y90S-4 | 3684-7367 | 346-220 |
| 6.3 | 2200 | 18.5-2 | Y160L-2 | 15342-21474 | 2908-2303 |
|---|
| 1900 | 11.0-2 | Y160M-2 | 13250-18546 | 2169-1718 |
| 1600 | 7.5-2 | Y132S-2 | 11158-15618 | 1538-1218 |
| 1300 | 4.0-4 | Y112M-4 | 9066-12689 | 1015-804 |
| 1000 | 2.2-4 | Y100L-4 | 6793-9761 | 600-475 |
| 700 | 0.75-4 | Y80M-4 | 4881-6833 | 294-233 |
| 7.1 | 1800 | 18.5-4 | Y180M-4 | 15736-25265 | 2422-1801 |
|---|
| 1600 | 15.0-4 | Y160L-4 | 13987-22635 | 1914-1423 |
| 1450 | 11.0-4 | Y160M-4 | 12676-20513 | 1572-1168 |
| 1200 | 5.5-4 | Y112M-4 | 10490-16976 | 1076-800 |
| 960 | 3.0-4 | Y100L-4 | 8392-13581 | 689-512 |
| 700 | 1.5-4 | Y160L-4 | 6119-9903 | 366-272 |
| 8 | 1800 | 30.0-2 | Y200L-2 | 8392-13581 | 689-512 |
|---|
| 1800 | 37.0-2 | Y200L-2 | 28105-36427 | 2920-2302 |
| 1600 | 22.0-2 | Y180M-2 | 17463-22435 | 2478-2390 |
| 1600 | 30.0-2 | Y160L-2 | 24982-32380 | 2303-1816 |
| 1250 | 11.0-4 | Y160M-4 | 13643-25297 | 1507-1106 |
| 1120 | 7.5-4 | Y132M-4 | 1224-15705 | 1209-1166 |
| 1120 | 11.0-4 | Y60M-4 | 17487-22666 | 1124-887 |
| 1000 | 5.5-4 | Y112M-4 | 10914-14022 | 963-929 |
| 1000 | 7.5-4 | Y132M-4 | 15614-20237 | 895-707 |
| 900 | 4.0-4 | Y112M-4 | 9823-12620 | 779-752 |
| 900 | 5.5-4 | Y112M-4 | 14052-18213 | 725-572 |
| 800 | 3.0-4 | Y100L-4 | 8732-16190 | 615-452 |
| 710 | 3.0-4 | Y100L-4 | 7749-14368 | 485-356 |
| 10 | 1250 | 37.0-4 | Y225S-4 | 34863-48797 | 2373-1877 |
|---|
| 1120 | 30.0-4 | Y200L-4 | 31237-43722 | 1902-1505 |
| 1000 | 18.5-4 | Y180M-4 | 27890-39038 | 1514-1199 |
| 900 | 15.0-4 | Y160L-4 | 25101-35134 | 1225-970 |
| 800 | 11.0-4 | Y160M-4 | 22312-31230 | 967-766 |
| 710 | 7.5-4 | Y132M-4 | 19802-27717 | 791-603 |
| 630 | 5.5-4 | Y112M-4 | 17571-24594 | 599-475 |
| 560 | 4.0-4 | Y112M-4 | 15618-21861 | 473-375 |
| 12 | 1120 | 75.0-4 | Y280S-4 | 53978-75552 | 2746-2172 |
|---|
| 1000 | 45.0-4 | Y225M-4 | 48195-60397 | 2185-1969 |
| 1000 | 55.0-4 | Y250M-4 | 63953-67457 | 1859-1729 |
| 900 | 37.0-6 | Y250M-6 | 43375-60712 | 1767-1399 |
| 800 | 22.0-6 | Y200L-6 | 38556-41973 | 1395-1376 |
| 800 | 30.0-6 | Y225M-6 | 45391-53966 | 1321-1104 |
| 710 | 18.5-6 | Y200L-6 | 34218-47895 | 1097-869 |
| 630 | 15.0-6 | Y180L-6 | 30362-42498 | 863-684 |
| 560 | 7.5-6 | Y160M-6 | 26989-29381 | 682-673 |
| 560 | 11.0-6 | Y160L-6 | 31774-37776 | 646-540 |
| 500 | 7.5-6 | Y160M-6 | 24097-33728 | 543-430 |
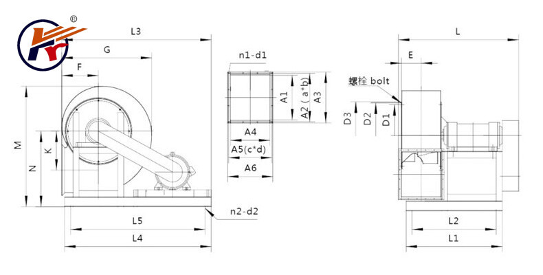
外形及安装尺寸示意图 Lnstallation size diagram
